三个开关控制电灯的开和关的电路图
2026-01-08 06:09 来源:网络 点击:
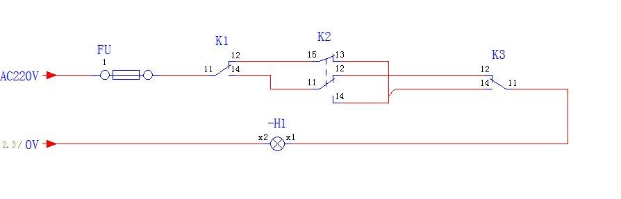
三个开关控制电灯的开和关的电路图
在家里给一个AC220V,60W的电灯接线,但是我需要上下楼梯口一个开关,卧室一个开关控制它,也就是说一个点灯,三个地方随时都能控制它的开和关的功能,这个题目在一些电工考试中也会遇到,答案也许不止一个。

相关标签:
-
- 开瑞K50口碑报告:给你宝骏730外的新选择
-
2026-01-08 06:07:00
-
- 一道求最小值问题的五种解法
-
2026-01-08 06:04:45
-
- 实测农村联联通的3g-u900网速
-
2026-01-08 06:02:31
-
- 请注意,无锡蠡园景区开放时间有调整,调整为7:00-16:30
-
2026-01-08 06:00:17
-
- (图表·海报)[节令之美·大暑]节令之美——大暑(7)
-
2026-01-08 05:58:03
-
- 2017山西高考状元出炉:理科686分 文科651分
-
2026-01-07 23:51:29
-
- 王鸥男人装杂志写真
-
2026-01-07 23:49:14
-
- 2024年中交二航局五公司、中建八局区域公司落户青山
-
2026-01-07 23:47:01
-
- 效力中国14年 维森特正式退役
-
2026-01-07 23:44:45
-
- 设备检修 重庆两路口皇冠大扶梯10日起暂停运营两天
-
2026-01-07 23:42:31
-
- 海报图品|末伏:末伏暑尚在,雨点落未落
-
2026-01-07 23:40:17
-
- 『定制纹身』九尾
-
2026-01-07 23:38:02
-
- 吟唱之美昆曲篇丨游园惊梦 声动梨园有佳人
-
2026-01-07 23:35:49
-
- 超越DeepSeek,腾讯元宝登顶!
-
2026-01-07 23:33:34
-
- 鲍威尔:致力于完成巴塞尔协议III的最终目标
-
2026-01-07 23:31:20
-
- 努尔基奇:对手并没有表现出害怕输球,他们太小看我们了
-
2026-01-07 11:31:58
-
- 13000元!奢侈品牌推出“乐事薯片包”未开售已被订光
-
2026-01-07 11:29:44
-
- 9月30日12时起,苏通大桥常熟经开区收费站将适时实行临时交通管制
-
2026-01-07 11:27:29
-
- 中国球员崔永熙进入篮网训练营名单 将身披8号球衣
-
2026-01-07 11:25:15
-
- 上交所:终止对北京城建设计发展集团股份有限公司首次公开发行A股股票并在主
-
2026-01-07 11:23:01



公吨和吨有分别吗?公吨和吨一样吗?
陈金凌(陈金凌以前的相片)
蔡少芬和张晋差几岁(蔡少芬张晋差多少岁)
农民补交45000元每月能领多少钱?以四个地区为例
张彬彬女友(张彬彬女友标准)
一五一十打一生肖(一五一十打一生肖最佳答案)
张少华为什么打断新凤霞的腿(张少华为何带人打新凤霞)
惨绝人寰!古代惩罚女子出轨的五大酷刑
青岛海参品牌(青岛海参品牌十大排名榜)
五代同堂是什么生肖(五代同堂指一生肖)